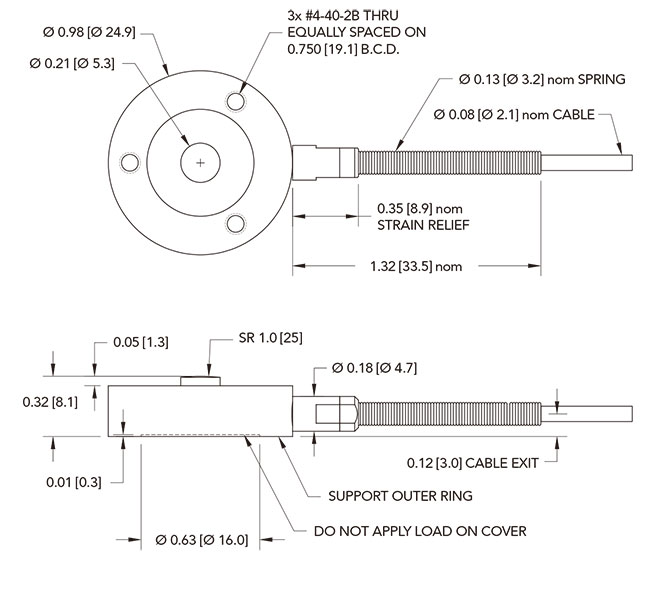
荣耀体育(中国) LLB350 按钮式力传感器
类型:应变式
型号:LLB350
行业:雪鞋测试、电阻点焊、软管膨胀压力测量
型号:LLB350
行业:雪鞋测试、电阻点焊、软管膨胀压力测量




| 量程 | 111, 222 N |
| 非线性 | ±0.5% of RO |
| 迟滞性 | ±0.5% of RO |
| 不可重复性 | ±0.1% of RO |
| 额定输出 | 1 mV/V(111 N) |
| 2 mV/V(222 N) | |
| 激励 | 18 |
| 桥路电阻 | 350 Ohm nom |
| 绝缘电阻 | ≥500 MOhm @ 50 VDC |
| 电缆 | #29 AWG,4芯,编织屏蔽电缆,3米长 |
| 重量 | 20 g |
| 过载保护 | 150% of RO |
| 材质 | 17-4 PH不锈钢 |
| 防护等级 | IP64 |
| 操作温度 | -50 to +93 ℃ |
| 补偿温度 | 15 to +72 ℃ |
| 温度漂移零点 | 0.018% of RO/℃ |
| 温度漂移范围 | 0.036% of Load/℃ |




电话020-85262155
邮箱sales@omgl.com.cn